型号 | JCC-20 |
静摩擦扭矩 Nm | 200 |
额定电压 DC-V | 24 |
功率 W(at75℃) | 40 |
重量 kg | 17.5 |

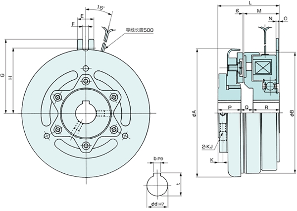
单位:mm
径向 | 轴向 | 安装 | 电源箱 | |||
A | 236 | L | 108 | K | 8.5 | |
B | 219 | M | 60.5 | KJ | M8 | 无接点控制器 |
E | 26 | N | 3.2 | |||
F | 8.5 | O | 2 | 轴孔 | ||
G | 130 | P | 41.5 | d | 40 | |
H | 118 | Q | 22 | b | 12 | |
R | 44.5 | t | 43.3 +0.2 0 | |||
g | 0.6 | |||||
| 返回列表 |
地址:中国上海市长宁区仙霞路317号远东国际广场B栋2513-14室 邮编:200051
TEL:021-6235-0808 FAX:021-6235-0163 Email:ika@yanagawa-tec.com
CopyRight © 2002-2025 All rights reserved ©www.yanagawa-tec.com 沪ICP备06029996号 沪公网安备31010502004579号